SR4P2A1B24C
用于監控安全光幕(NPN,PNP輸出)和光電式雙手按鈕特點:1、可檢測輸入觸點的短路故障;2、具有自我監控的電路;3、工作狀態實時監測。Ple;安全類別:Cat.4;SIL3參數:復位模式手動或自動輸出觸點2N/O,1N/C工作電源DC24V功耗3W平均無危險故障時間94a切換容量AC-15,5A/250V;DC-13,6A/24V釋放緩沖時間99%防護等級IP50...
用于監控安全光幕(NPN,PNP輸出)和光電式雙手按鈕
特點:
1、可檢測輸入觸點的短路故障;
2、具有自我監控的電路;
3、工作狀態實時監測。
Ple;安全類別:Cat.4; SIL3
參數:
?
|
復位模式 |
手動或自動 |
| 輸出觸點 | 2N/O,1N/C |
| 工作電源 | DC24V |
| 功耗 | 3W |
| 平均無危險故障時間 | 94a |
| 切換容量 | AC-15,5A/250V; DC-13,6A/24V |
| 釋放緩沖時間 | <15ms |
| 診斷覆蓋率/DC | >99% |
| 防護等級 | IP50 |
| 工作溫度 | ? -10 ~+55℃ |
| 儲存溫度 | ?-40 ~+85℃ |
| 導線截面積 | 最大 2.5mm2 |
| 線纜長度 | 最長100m |
| 尺寸 | 96(L)×22.5(W)×116(H)mm |
| 符合標準 | EN 60947-5-1, EN 61000-6-2, EN 61000-6-3,? IEC/EN 60204-1, EN ISO 13849-1,? |
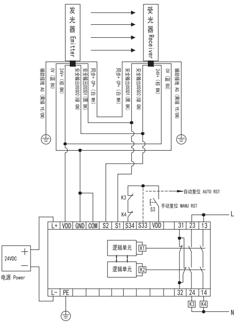
接線圖:
?
?
安全光幕NPN輸出:

安全光幕PNP輸出:

?
?