SR型控制器接線
2023-10-31
SR4P2A1B22、24接線圖:


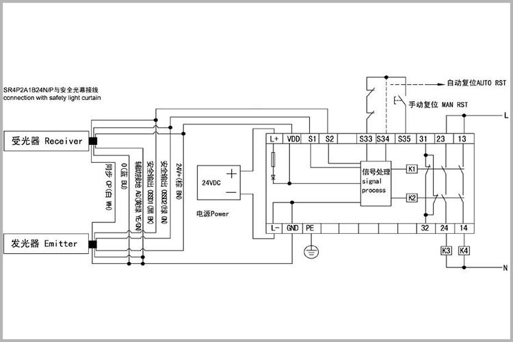
SR4P2A1B24N/P接線圖:


SR4P2A1B24S接線圖:

SR4P2A1B22、24接線圖:


SR4P2A1B24N/P接線圖:


SR4P2A1B24S接線圖:
