NPN/PNP輸出接線
2023-10-31
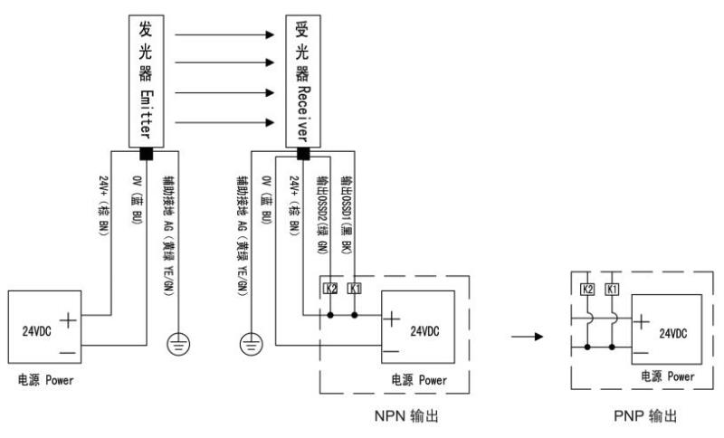
SNA/B/C/Q,STD/Q,SQL型安全光幕NPN/PNP型輸出傳感器(發光器、受光器)和控制單元的接線:

SND/E系列安全光幕NPN/PNP輸出接線:

S4系列安全光幕NPN/PNP輸出接線:

SFA系列安全光幕NPN/PNP輸出接線:

MC系列安全光幕NPN/PNP輸出接線:

MC II系列安全光幕NPN/PNP輸出接線:

SND/E系列自學習安全光幕接線:
